Proses Kerja Crude Distilation Unit (CDU)
Pendahuluan
Crude Distillation Unit (CDU) beroperasi dengan prinsip dasar pemisahan berdasarkan titik didih komponen penyusunnya. Kolom CDU memproduksi produk LPG, naphtha, kerosene, dan diesel sebesar 50-60% volume feed, sedangkan produk lainnya sebesar 40-50% volume feed berupa atmospheric residue.
Atmospheric residue pada kilang lama, yang tidak memiliki Vacuum Distillation Unit/VDU, biasanya hanya dijadikan fuel oil yang value-nya sangat rendah atau dijual ke kilang lain untuk dioleh lebih lanjut di VDU.Baca Juga Untuk Mengenal Proses Kerja Vacuum Distilation Unit (VDU) . Sedangkan pada kilang modern, atmospheric residue dikirim sebagai feed Vacuum Distillation Unit atau sebagai feed Residuel Catalytic Cracking (setelah sebagiannya di-treating di Atmospheric Residue Hydro Demetalization unit untuk
menghilangkan kandungan metal atmospheric residue).
menghilangkan kandungan metal atmospheric residue).
Teori Crude Distillation Unit
1. Crude Oil Composition
Crude oil terdiri dari atom carbon dan hydrogen yang bergabung membentuk molekul hydrocarbon. Berdasarkan struktur molekuler umum, hydrocarbon dikelompokkan menjadi 4 macam, yaitu paraffin, naphthene, aromatic, dan olefin.
1.1.Paraffin
Senyawa paraffin paling simple adalah methane (CH4). Contoh senyawa parafin lain adalah ethane (C2H6) atau biasa disebut dry gas, propane (C3H8), butane (C4H10), pentane (C5H12), hexane (C6H14), heptane (C7H16), octane (C8H18) dan seterusnya. Molekul paraffin mempunyai formula standard CnHn+2 dengan n adalah jumlah atom carbon. Penamaan senyawa parafin mempunyai keunikan, yaitu diberi akhiran “-ane”.
1.2.Naphthene
Struktur hydrocarbon jenis ini lebih kompleks daripada struktur hydrocarbon jenis paraffine karena atom carbon tersusun dalam suatu cincin. Contoh struktur hydrocarbon jenis naphthene adalah sebagai berikut :
![]() |
| Contoh Struktur Naphthene |
Formula umum dari senyawa naphthene adalah CnH2n dengan n adalah jumlah atom carbon.
1.3.Aromatic
Senyawa aromatik yang paling sederhana dan yang memiliki boiling point paling rendah adalah benzene (C6H6). Senyawa ini serupa dengan senyawa naphthene dalam hal struktur ring namun berbeda dalam hal jumlah atom hydrogen yang hanya satu yang terikat pada atom carbon (naphthene memiliki 2 atom hydrogen yang terikat pada atom carbon).
![]() |
| Struktur Benzene |
![]() |
| Struktur Ethybenzene |
1.4.Olefin
Olefin sangat jarang ditemukan dalam crude oil karena komponen ini merupakan produk dekomposisi dari jenis hydrocarbon lainnya. Konsentrasi olefin terbesar ditemukan dalam produk thermal cracking dan catalytic cracking.
Seperti pemberian nama pada jenis paraffin, penamaan jenis olefin mempunyai keunikan. Jika senyawa memiliki 1 ikatan rangkap disebut dengan akhiran ”-ene” (seperti propene, butene) dan jika senyawa memiliki 2 ikatan rangkap disebut dengan akhiran ”-adiene” (seperti butadiene, propadiene).
![]() |
| Struktur Olefin |
1.5.Senyawa Lain
Selain mengandung senyawa-senyawa hydrocarbon seperti tersebut di atas, crude oil juga mengandung senyawa-senyawa lain dalam jumlah kecil yang dikelompokkan sebagai impurities, seperti sebagai berikut :
•Salts/Garam
Senyawa garam yang paling banyak adalah senyawa chloride, seperti sodium chloride, magnesium chloride, dan calcium chloride. Senyawa garam ini dapat membentuk asam yang dapat menimbulkan korosi pada bagian atas kolom CDU. Senyawa garam juga bisa menyebabkan plugging pada peralatan seperti heat exchanger dan tray kolom fraksinasi.
•Senyawa sulfur
Jika sulfur content suatu crude tinggi disebut ”sour crude”. Senyawa sulfur yang paling ringan adalah hydrogen sulfide (H2S) yang selain korosif juga merupakan deadly gas. Senyawa lain adalah mercaptan yang merupakan nama umum untuk paraffinic hydrocarbon yang satu atom hydrogennya diganti dengan radikal –SH. Senyawa sulfur lainnya mempunyai struktur ring olefin dan biasanya diberi nama depan “thio”
![]() |
| Struktur Senyawa Pengotor |
•Metal
Jenis metal yang biasa ditemukan di crude oil adalah arsenic, lead (timbal), vanadium, nikel, dan besi. Sebagian besar metal dalam umpan CDU akan keluar bersama atmospheric residue. Arsenic dan lead merupakan racun paling mematikan dari katalis unit catalytic reforming, sedangkan vanadium, nikel, dan besi akan mendeaktivasi katalis catalytic cracking.
•Sand, Mineral Matter and Water
Senyawa-senyawa ini dikelompokkan bersama sebagai Base Sediment and Water (BS&W), dan biasanya berjumlah kurang dari 0,5 %wt total crude.
2. Desalter
Seperti telah dijelaskan di atas, crude oil mengandung salt water dan sediment. Salt content crude oil biasanya dilaporkan sebagai pounds salt (diukur sebagai sodium chloride) per thousand barrels minyak (ptb). Range salt content bervariasi antara 0 s/d 1000 ptb, biasanya antara 10 s/d 200 ptb.
Pada sebagian besar crude oil, sekitar 95% total salt content ditemukan dalam BS&W crude oil. Salt terjadi dalam bentuk highly concentrated brine droplet yang terdispersi dalam crude oil. Droplet ini sangat kecil dan sangat susah terpisah dari crude oil. Proses desalting berfungsi untuk mengencerkan high salt content brine dengan menambahkan fresh water pada crude oil untuk memproduksi low salt content water.
Agar fresh water dapat berkontak dengan efektif dengan concentrated brine atau BS&W, suatu emulsi harus terbentuk untuk mendispersi air yang ada pada crude. Emulsi diproduksi dengan melewatkan liquid pada kecepatan tinggi melalui orifice kecil yang kemudian melalui mixing valve. Setelah demulsifikasi dan settling, BS&W yang tersisa dalam crude adalah diluted water, bukan lagi concentrated brine.
![]() |
Gambar Two Stage Desalter |
Feed dan Produk Crude Distillation Unit
Jenis umpan CDU dapat berupa ”sour” crude atau “sweet” crude tergantung dari disainnya. Penggunaan crude non-disain tetap dimungkinkan namun terlebih dahulu harus dilakukan uji coba pemakaian untuk mengetahui efeknya terhadap unit-unit dowstream.
Typical produk CDU adalah sebagai berikut :
Jenis Produk | Cut Range Normal TBP,º C |
Overhead product (Gas,LPG) | < 30 |
Naphtha | 30-150 |
Kerosene | 150-250 |
Diesel | 250-370 |
Atmospheric residue | 370+ |
Tabel I. Typical Produk CDU
Tingkat ketajaman pemisahan ditentukan berdasarkan gap antara 95% temperatur distilasi ASTM fraksi dengan boiling point lebih rendah dan 5% temperatur distilasi ASTM fraksi dengan boiling point lebih tinggi. Best practice gap tersebut adalah sebagai berikut:
- Straight run naphtha/Kerosene : 20º F (11º C).
- Kerosene/Diesel : 10º F (5,6º C).
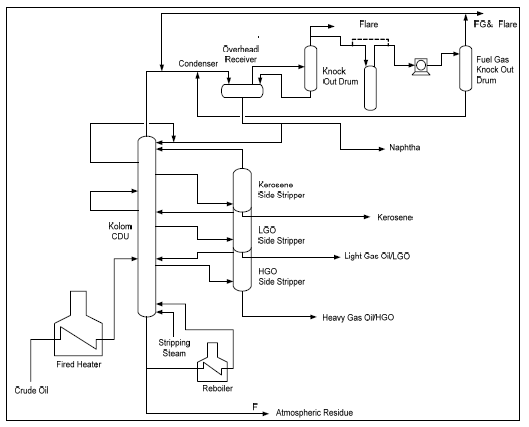
Aliran Proses Crude Distillation Unit
Process Flow Diagram CDU dapat dilihat pada gambar berikut :
![]() |
Gambar Process Flow Diagram CDU |
Variabel Proses Crude Distillation Unit
Beberapa variabel proses yang berpengaruh pada operasi CDU adalah sebagai berikut :
1. Flash Zone Temperature
Semakin tinggi flash zone temperature maka semakin banyak yield produk yang dihasilkan, dan sebaliknya semakin sedikit yield bottom CDU. Namun flash zone temperatue tidak boleh terlalu tinggi karena dapat mengakibatkan terjadinya thermal decomposition/cracking umpan. Temperature thermal decomposition/cracking tergantung jenis umpan. Pada umumnya temperature thermal decomposition/cracking crude adalah sekitar 370 oC (UOP menyebutkan 385 oC). Flash zone temperature diatur secara tidak langsung, yaitu dengan mengatur Combined Outlet Temperatur/COT fired heater.
2. Temperature Top Kolom CDU
Temperature top kolom CDU diatur dengan mengembalikan sebagian naphtha yang telah dikondensasi sebagai reflux kembali ke top kolom CDU. Jika temperature flash zone dinaikkan, maka reflux rate harus dinaikkan untuk menjaga temperature top tetap. Temperature top kolom merupakan salah satu petunjuk endpoint naphtha. Untuk memperoleh endpoint overhead produk yang lebih rendah maka top temperature harus diturunkan dengan cara menambah jumlah top reflux.
3. Tekanan Top Kolom CDU
Meskipun tekanan top kolom tidak pernah divariasikan, namun perubahan kecil pada tekanan top kolom akan menghasilkan perubahan besar pada temperature pada komposisi umpan yang tetap. Jika tekanan top kolom tidak dapat dijaga tetap dan operasi CDU hanya mengandalkan quality control produk hanya berdasarkan pengaturan temperature tray/temperature draw off, maka komposisi produk akan berubah cukup signifikan. Pressure swing yang sangat sering akan membuat operasi CDU menjadi tidak stabil. Untuk menjaga stabilitas tekanan top kolom maka dipasang temperature controller yang di-cascade dengan flow top reflux.
4. Stripping Steam
Jumlah stripping steam (superheated) yang dimasukkan ke bottom tiap side cut product stripper digunakan untuk menghilangkan uap ringan yang terlarut dalam produk, yang akan menentukan flash point produk. Stripping steam dapat juga dimasukkan ke bagian bawah/bottom kolom CDU sebagai pengganti reboiler dengan fungsi sama, yaitu menghilangkan fraksi ringan yang ada dalam produk bottom kolom CDU
•Sour crude Crude oil yang mengandung impurities (terutama sulfur) yang tinggi.
•Sweet crude Crude oil yang mengandung impurities (terutama sulfur) yang rendah (VDU/CDU/fraksinasi).
•TBP True Boiling Point
Daftar Pustaka
Operation Manual for Unit 100 Crude Distillation Unit, Pakistan-Arabian Refinery Limited, Mid-Country Refinery Project (PARCO), Mahmood Kot, Pakistan.
2006 UOP Engineering Design Seminar, Des Plaines, USA.
.png)







0 komentar: